Rear Seats - Second Row Adjusters, Recliners, Shields and Risers for 2024 Jeep Wrangler
No.
Part # / Description / Price
Price
No.
Part # / Description / Price
Price
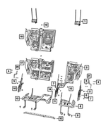
5
$14.57
14
Nut
Mopar
Mopar Description: Attaches Items 6 And 7 to Seat Cushion Frame. Attaches Items 1 And 2 To Rear Seat Frame.
$4.02
$4.02
No.
Part # / Description / Price
Price
No.
Part # / Description / Price
Price
4
$144.72



